
This beautiful brick home in Gainesboro, Tennessee, offers a tranquil retreat with a combination of classic and modern architectural features. The residence, likely built in a traditional style emphasizing symmetry and sturdy brick construction, highlights elegant details such as arched windows and a prominent front entrance. The house features 4 bedrooms and 3.5 bathrooms, enhanced by 12-foot ceilings and charming millwork throughout, providing a spacious and refined living environment. The interior boasts porcelain tile flooring, custom cherry cabinetry, and a cozy gas fireplace. Listed at $1,600,000, this property represents a rare opportunity to own a private slice of Tennessee countryside, combining rustic charm with modern conveniences in a serene and secluded setting. Viewings are by appointment only, with proof of funds required.
Floor Plan

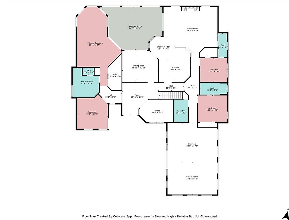
This floor plan presents a spacious and well-organized layout designed for comfortable family living. To the left, the primary bedroom suite features a large bay window area, a walk-in closet, and an adjoining primary bath, emphasized by its size and functionality. Two additional bedrooms and bathrooms are located on the right side for privacy. Central communal zones include a formal dining room adjoining the kitchen and breakfast nook, which connect to a large living room. A dedicated office and laundry area are thoughtfully positioned near the foyer and hall. The expansive sunroom and billiard room offer versatile entertainment space, highlighted by ample natural light from multiple windows, creating a harmonious balance of private and social areas throughout the home.
Entryway Foyer

This welcoming entryway features soft sage-green walls contrasted by crisp white trim and double French doors with large glass panes. Above the doors and front entrance are elegant half-circle transom windows that allow natural light to fill the space. Warm, honey-toned hardwood floors add charm and richness, complemented by a large neutral textured rug. A cozy bench with a decorative pillow sits beneath a modern metal wall clock with a star design, adding subtle character. The foyer opens through an arched doorway to an adjacent room with visible plush carpeting, hinting at the home’s comfortable flow and thoughtful design.
Home Office Space

This home office is designed for functionality and elegance with a warm yet sophisticated vibe. Natural light floods the space through a large, arched window with white trim, creating an inviting and bright atmosphere. The room features a beautifully carved wooden desk placed on a patterned black-and-white rug that adds subtle texture and contrast to the hardwood floor. A black built-in bookshelf dominates one corner, housing books and decorative pieces, while providing ample storage. A wooden drafting desk paired with an adjustable stool offers an alternative workspace. Light neutral walls and crown molding enhance the room’s classic and professional aesthetics.
Kitchen with Breakfast Bar

This spacious kitchen features rich wooden cabinetry that wraps around in an L-shape, complemented by matching hardwood flooring that adds warmth to the space. The central island offers additional prep space while integrating a built-in cooktop. Granite countertops with natural stone patterns enhance the overall aesthetic, extending to a raised breakfast bar with seating for three, supported by decorative wrought iron brackets. Stainless steel appliances, including a large refrigerator and a double oven, provide modern functionality. Recessed lighting brightens the room, highlighting the detailed crown molding and clean white walls, creating a balanced, elegant atmosphere.
Breakfast Nook

This cozy breakfast nook features a round wooden table surrounded by four sleek black metal chairs, blending rustic charm with industrial touches. Three large windows create a bright, airy atmosphere, flooding the space with natural light and offering garden views. The soft gray walls and crisp white trim add a modern, neutral backdrop that complements the golden oak hardwood floors extending throughout the open layout. A minimalist, gold-finished chandelier hangs overhead, adding warmth and elegance. Adjacent spaces include a room with deeper wall colors and natural wood furniture and access to the outdoors through classic French doors, enhancing indoor-outdoor flow.
Open Living Room

This open living room features a warm and inviting layout with a rich hardwood floor extending seamlessly into the adjacent kitchen area. The walls are painted a clean, soft white, enhancing natural light from the large sliding glass doors that lead to an outdoor space. A plush caramel-colored sectional sofa pairs beautifully with a matching cozy armchair, while a tufted light gray ottoman anchors the seating area atop a patterned neutral rug. Classic crown molding and recessed lighting add subtle elegance, complemented by the marble fireplace mantel flanked by greenery, blending contemporary comfort with traditional charm.
Living Room with Fireplace

This spacious living room features a warm and inviting ambiance centered around a large fireplace with rich wood paneling and a dark stone hearth. Natural light floods the room through several wide windows with white trim, enhancing the bright, neutral wall color. A plush light area rug anchors the seating area, which includes a caramel-colored sectional sofa and a matching armchair, accented with soft throw pillows in muted tones. A tufted ottoman serves as a centerpiece and additional seating. Hardwood floors and crown molding add elegance, while sliding glass doors open to an outdoor space, blending indoor and outdoor living.
Dining Room Details

This elegant dining room features a striking two-tone wall design with deep charcoal on the upper walls and crisp white wainscoting below, creating a dynamic visual contrast. The warm, medium-toned hardwood floors provide a natural foundation that balances the bold walls. A round, black dining table sits at the center, surrounded by six light wood chairs with woven seats, blending modern and natural elements. Above, a contemporary brass chandelier with multiple exposed bulbs adds a sculptural touch. Accents include a large framed artwork, a circular woven mirror, and a sideboard flanked by two table lamps, all contributing to a refined, cohesive aesthetic.
Game Room with Scenic Views

This spacious game room features an elegant vaulted wood-paneled ceiling that adds warmth and texture to the space. Large windows and sliding glass doors surround the room, flooding it with natural light and offering breathtaking views of lush greenery outside. The walls are painted in a deep, muted gray that contrasts beautifully with the natural wood ceiling. A pool table with a black cover is the centerpiece, complemented by a cozy, light gray sectional sofa adorned with neutral throw pillows and a soft fur throw. Plush armchairs flank the windows, arranged thoughtfully for conversation or relaxation. The tiled floor is practical yet stylish, grounding the room’s inviting yet sophisticated aesthetic. Black floor-length curtains frame the windows, allowing privacy while enhancing the room’s refined look.
Living Room Seating Area

This living room features a vaulted wooden ceiling with a rich natural finish, complemented by a sleek modern ceiling fan. The space is anchored by a large beige sectional sofa adorned with textured throws and pillows, creating a cozy, inviting seating area. Two rectangular leather ottomans serve both as footrests and central coffee tables. The floor is covered with large neutral-tone tiles enhancing durability and style. Dark black curtains frame expansive glass patio doors and windows, offering abundant natural light and views of the greenery outside. A wall-mounted TV with a minimalist wooden console and a traditional table lamp completes the sophisticated yet comfortable atmosphere.
Game Room Details

This spacious game room features a tiled floor with a large patterned area rug centered beneath a covered pool table, which is protected by a sleek black cover. The room is illuminated by a modern chandelier with multiple bulbs, hanging from a warm-toned wood-paneled ceiling with a gentle vaulted design. Walls painted in a muted gray create a sophisticated backdrop, complemented by expansive windows and glass doors that allow abundant natural light and framed views of lush greenery outside. Dark curtains line the windows, adding contrast and control over light and privacy. Seating includes antique-style chairs and a cozy nook with a small table, perfect for casual gatherings.
Master Bedroom Seating Area

This spacious master bedroom features a high ceiling and soft neutral tones, dominated by light beige walls and plush carpeting that create a soothing atmosphere. A striking wooden four-poster bed anchors the room, dressed in coordinated gray bedding with textured pillows. Adjacent to the bed, a minimalist light wood nightstand and table lamp offer a clean aesthetic. The room extends into a large seating area with a comfortable light gray sectional sofa, placed in front of extensive floor-to-ceiling windows draped in heavy, dark gray curtains that frame the natural views outside. French doors add elegance and provide access to an outdoor space, enhancing the room’s openness and luxury feel.
Sunroom with Outdoor View

This spacious sunroom features a tiled floor in neutral tones, complementing the exposed brick walls and white paneled ceiling. Three skylights allow natural light to flood the space, enhancing the bright and airy atmosphere. Large glass sliding doors provide seamless access and stunning views of the vibrant green backyard, with a glimpse of a wooden gazebo. A ceiling fan hangs from the ceiling to aid airflow. The room connects directly to an interior living area visible through glass doorways and windows, blending indoor comfort with outdoor tranquility.
Bedroom Retreat

This serene bedroom presents a calming, neutral palette with soft grey walls and white trim. A large window framed by charcoal grey curtains floods the space with natural light, highlighting the plush, light beige carpeting. The centerpiece is an inviting bed dressed in pale grey linens and an assortment of pillows, complemented by a luxurious taupe faux fur throw. A small, modern bench in muted blue sits at the foot of the bed, adding subtle color. Floating triangular shelves and delicate plants contribute a touch of greenery and interest, while minimalist artwork above the bed enhances the tranquil atmosphere. Beside the bed, a sculptural black nightstand with a white lamp adds contrast and modern elegance.
Bathroom Details

This bathroom features a well-organized, narrow galley layout with a modern touch. Neutral tones dominate, with soft beige floor tiles contrasting gently against crisp white walls and cabinetry. A pedestal sink with dark bronze fixtures is complemented by a round black-framed mirror above, creating a striking focal point. The shower area, fitted with sliding glass doors and dual showerheads in a matte gold finish, stands out with an elegant yet functional design. A contemporary ceiling fixture with exposed bulbs adds character, while a framed monochrome portrait enhances the artistic vibe. Practical storage cabinetry and subtle greenery complete this stylish, efficient space.
Guest Bedroom

This guest bedroom features a calming neutral palette with soft gray walls and beige carpeting, creating a cozy yet spacious atmosphere. The room includes a single bed with brown bedding positioned against the left wall, accompanied by a light wooden nightstand topped with a classic lamp. A large window with gray curtains allows natural light to brighten the space while providing views of greenery outside. Opposite the bed, a tall wooden bookshelf adds warmth and storage, and a set of double white closet doors enhance organization. The room’s recessed lighting and minimalist decor emphasize a clean, modern aesthetic ideal for restful stays.
Bathroom Vanity and Tub

This bathroom features a vibrant deep blue paint that contrasts the white cabinetry and beige countertop with an integrated sink. Above the wide, wall-to-wall mirror, a modern light fixture with five cylindrical glass shades provides ample illumination. The vanity includes multiple storage drawers with gold-tone handles, complementing the gold-framed sliding glass doors of the bathtub-shower combo. The tile floor is neutral-toned with a diamond pattern, tying the elements together. A small window above the tub allows natural light to filter in, enhancing the polished and inviting atmosphere of the space.
Laundry Room Details

This laundry room features a clean, organized layout with a pair of front-loading washer and dryer units in white. The walls are painted a soft blush pink, lending a gentle warmth and charm to the space. Above the appliances are white cabinetry with simple, classic molding details that provide ample storage for laundry essentials. On the left, additional tall cabinets with matching white doors offer further organization. The flooring consists of patterned tiles in muted tones, adding a touch of vintage character. A wooden wall-mounted hook rack holds a tote bag, enhancing the cozy, functional feel of the room.
Walk-in Closet Storage

This spacious walk-in closet features a smart and functional layout with white wire shelving units lining both sides, maximizing vertical storage. On the left, a series of baskets and bins hold folded garments, accessories, and shoes in an organized manner, while the right side showcases hanging clothes arranged by type and color. The hardwood floor adds warmth and contrast against the light gray walls and crisp white trim. The open doorway leads to what appears to be a bathroom, further highlighting the closet’s convenient location within the home. The overall design is clean and utilitarian, ensuring easy access to everyday essentials.
Bathroom Tub and Shower

This bathroom highlights a spacious bathtub surrounded by natural stone tile in earthy brown and grey tones, providing a warm, grounded feel. Adjacent to the tub is a glass-enclosed shower with gold-colored metal framing, adding a touch of vintage elegance. A large window with white trim floods the space with natural light and offers a lush green view outside, enhancing the relaxing atmosphere. Soft, neutral walls and white crown molding contribute to a clean, polished design. A small green plant adds a subtle organic accent, balancing the sophisticated materials and fixtures.
Bathroom Vanity Area

This bathroom features a spacious dual-sink vanity set against a light neutral wall. White countertops and cabinetry provide clean lines and ample storage with multiple drawers and cupboards. The large, angular mirror wraps around the corner, enhancing the sense of space and reflecting natural light from the nearby window. Above each sink, multiple light fixtures with clear glass shades and subtle brass accents complement the gold-colored faucets to add a touch of elegance. The floor is adorned in polished, gray marble tiles with natural veining, coordinating with the adjacent marble-tiled bathtub area. A small cushioned stool fits neatly beneath the central counter space, hinting at a makeup or dressing nook. Off to the left, the entrance opens into a walk-in closet featuring wooden floors and organized clothing storage. The overall aesthetic is a sophisticated blend of classic design and practical luxury.
Bedroom with Arched Windows

This serene bedroom features two large arched windows that flood the space with natural light and offer views of lush greenery outside. Dark navy curtains frame the windows, adding a rich contrast to the otherwise neutral gray walls and beige carpeting. The bed, adorned with a dark textured comforter and coordinating pillows, is positioned against one wall with a minimalist nightstand and lamp on one side. A small black desk and metal chair sit under one window, creating a quiet nook for work or study. Subtle decorative touches include a sports-themed framed print and an artistic wall-mounted deer antler piece, balancing modern comfort with rustic charm.
Basement Storage and Utility

This basement area serves as a combined utility and storage space. The room features exposed concrete floors and white-painted cinder block walls, creating a utilitarian but clean environment. On the left, a modern HVAC system with insulated ductwork is installed against the wall, emphasizing the practical function of this space. Surrounding it are sturdy wooden shelves filled with organized boxes and containers, catering to ample storage needs. At the back, an ergonomic gaming-style chair and a small lamp add a touch of comfort and personal use, while the ceiling reveals some exposed wooden beams, enhancing the unfinished yet functional aesthetic.
Garage Interior

This spacious garage features a clean, utilitarian design with concrete flooring that shows signs of regular use. The walls are painted a bright white, contributing to the space’s bright and open feel. Two large, white garage doors with automatic openers dominate one side, allowing easy vehicle access. Mounted along the ceiling are functional elements like a red hose reel and green electrical cords. Against one wall stands a black metal shelving unit holding various storage bins and a small toolbox on wheels in red and black, enhancing organization. A rugged off-road vehicle is parked near the center, showcasing the garage’s ample capacity for vehicle storage and maintenance activities. Recessed lighting overhead ensures the area is well-lit for any project or routine use.
Home Gym Space

This dedicated workout area has a practical layout featuring a mix of strength training and cardio equipment. The walls are painted white with cinder block construction, giving a clean and industrial feel that pairs well with the light green flooring. A red and black power rack with a pull-up bar anchors the middle of the room, flanked by weight plates stored neatly against the wall. A treadmill and elliptical provide cardio options on one side, while a padded bench and smaller weights are positioned on the opposite side. Bright overhead fluorescent lighting ensures the space is well illuminated. A USMC-themed plaque and some wall-mounted gym accessories add subtle personal touches to the functional setup.
Barn Interior Overview

This spacious barn features a high, metal sheet roof supported by substantial wooden trusses and beams, providing a sturdy, open structure ideal for agricultural use or storage. The floor is mostly gravel, perfect for heavy equipment traction, with a section of concrete visible on the right side for added stability. The barn is illuminated by natural light entering through translucent panels in the roofing. An orange tractor parked on the gravel emphasizes the rural, functional purpose. The barn’s spaciousness and raw, utilitarian materials speak to a practical and well-maintained farming environment.
Listing Agent: Lacy Smith of Highlands Elite Real Estate Gainesboro via Zillow
